产品展示
联系我们
上海茂育科教设备有限公司
生产基地:上海松江叶榭工业园
业务电话:021-56311657
业务电话:021-56411696
业务手机:17821391226(陈经理)
业务手机:13916286558(陈金达)
网址:www.jiaoxueyq.com
网址:www.shmaoyu.cn
邮箱:shanghaimaoyu@126.com
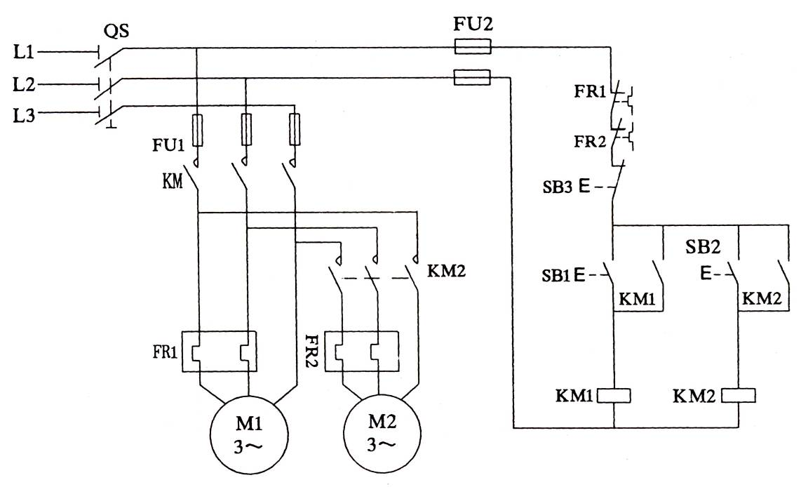
主电路联锁控制线路实验
作者:茂育科教 发布时间:2019-12-12 15:10:14
主电路联锁控制线路操作所需电器元件明细表见表1 表1
| 代号 | 名称 | 型号 | 规格 | 数量 | 备注 |
| QS | 低压断路器 | DZ108-20/10 | 脱扣器整定电流0.63-1A | 1 | 实验屏上 |
| FU1 | 熔断器 | 配2A熔断体 | 3 | ||
| FU2 | 熔断器 | 配熔体2A | 2 | ||
| KM1、KM2 | 交流接触器 | 线圈AC380V | 2 | ||
| FR1/FR2 | 热继电器 | R16B-20/3 | 整定电流0.63-1A | 1 | |
| SB1、SB2、SB3 | 按钮开关 | LAY16 | 2 | SB3为红色 SB1、SB2为绿色 |
|
| M1、M2 | 三相鼠笼式异步电动机 | 380V(Y/△) | 2 |

上一篇:汽车四轮转向系统实验台实训指导
下一篇:控制电路联锁控制线路实验
推荐阅读


